Défaillances mécaniques

Les avaries des équipements mécaniques peuvent être provoquées par un défaut de conception ou de fabrication, un mauvais usage, une dégradation du matériau liés à une utilisation en conditions sévères ou encore un défaut de maintenance.

Notre champ d'action

Air Liquide CTE réalise des investigations pour déterminer les causes des avaries.


Nous menons ces investigations après des ruptures de composants, une observation de fissures, des incendies, des explosions ou tout autre défaillance de pièces mécaniques.

Quels sont les risques liés aux défaillances mécaniques ?

Un équipement ou un accessoire défectueux peut engendrer des situations dangereuses (fuite de gaz ou de liquide, explosion...) pour les utilisateurs.

Quelles conséquences ? Une asphyxie, une brûlure ou encore une blessure.

Quels équipements pouvons-nous analyser au CTE ?

Air Liquide Plant in Kunshan, Jiangsu Province, China

Matériaux et composants endommagés (accident ou incident) :

  • Suite à des fuites, des ruptures, des fissures…
  • Analyse des défauts métallurgiques.
  • Identification des causes techniques

Matériels suivants :

  • Vannes, flexibles, détendeurs, raccords.
  • Bouteilles, tubes, récipients cryogéniques
  • Composants soudés

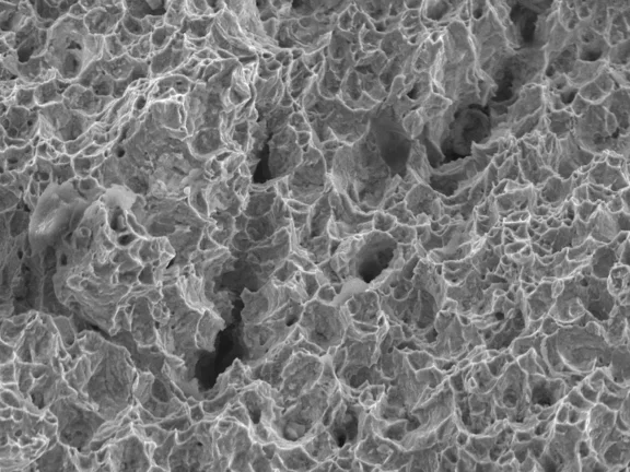
Quels sont les principaux mécanismes d'endommagement rencontrés ?

Nos activités de test

Le CTE vous propose de réaliser des essais dans le domaine de la sécurité oxygène, de l'hydrogène, des bouteilles à gaz, ou encore des vannes et des flexibles.
Nos tests

Nous contacter

AIR LIQUIDE Global E&C Solutions France - CTE

Campus Innovation Paris 1

Chemin de la Porte des Loges

78350 LES LOGES EN JOSAS

ww-cte-sales@airliquide.com

01 39 07 62 62

Contact